| SF | 2.15/16 | 1075-2.15/16G | 12 | |
|---|---|---|---|---|
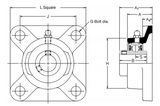
| Self Lube Cast Iron Flange Bearing Unit | 2.15/16 Inch Shaft Diameter | Set Screw Lock - Long Inner Ring | Bearing Insert | Casting Group |
| Dimensions (mm) | |||||||||
|---|---|---|---|---|---|---|---|---|---|
| L | H | J | G | A | A1 | A2 | A3 | A4 | B |
| 196.5 | 158.5 | 152.4 | 20 | 51.3 | 80.9 | 0 | 91.21 | 23 | 77.8 |
| Dimensions (mm) | Dynamic Load (N) | Static Load (N) | Max Speed (rpm) | Weight (Kg) | |||||
|---|---|---|---|---|---|---|---|---|---|
| B1 | B2 | B3 | s | s1 | s2 | ||||
| 0 | 0 | 92.14 | 33.34 | 0 | 37.34 | 66000 | 49500 | 2300 | 8.6 |