| SF | 1.15/16 | DEC | 1050-1.15/16DECG | 8 |
|---|---|---|---|---|
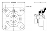
| Self Lube Cast Iron Flange Bearing Unit | 1.15/16 Inch Shaft Diameter | Eccentric collar lock with extended inner ring | Bearing Insert | Casting Group |
| Dimensions (mm) | |||||||||
|---|---|---|---|---|---|---|---|---|---|
| L | H | J | G | A | A1 | A2 | A3 | A4 | B |
| 142.9 | 115.9 | 111 | 16 | 39.7 | 60.53 | 60.6 | 66.07 | 14.3 | 51.6 |
| Dimensions (mm) | Dynamic Load (N) | Static Load (N) | Max Speed (rpm) | Weight (Kg) | |||||
|---|---|---|---|---|---|---|---|---|---|
| B1 | B2 | B3 | s | s1 | s2 | ||||
| 43.5 | 43.73 | 62.73 | 19.04 | 11.04 | 24.64 | 35000 | 23200 | 3400 | 2.8 |