| MSF | 35 | 1040-35G | 3 | |
|---|---|---|---|---|
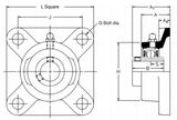
| Self Lube Cast Iron Flange Bearing Unit | 35mm Shaft Diameter | Set Screw Lock - Long Inner Ring | Bearing Insert | Casting Group |
| Dimensions (mm) | ||||||
|---|---|---|---|---|---|---|
| L | H | J | G | A | A1 | A4 |
| 130.2 | 101.6 | 101.5 | 12 | 34.9 | 54.18 | 12.7 |
| Dimensions (mm) | Dynamic Load (N) | Static Load (N) | Max Speed (rpm) | Weight (Kg) | |
|---|---|---|---|---|---|
| B | s | ||||
| 49.2 | 19.03 | 32500 | 19900 | 4000 | 2.2 |