| MSF | 1.3/16 | 1035-1.3/16G | 2 | |
|---|---|---|---|---|
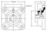
| Self Lube Cast Iron Flange Bearing Unit | 1.3/16 Inch Shaft Diameter | Set Screw Lock - Long Inner Ring | Bearing Insert | Casting Group |
| Dimensions (mm) | ||||||
|---|---|---|---|---|---|---|
| L | H | J | G | A | A1 | A4 |
| 117.5 | 95.3 | 92 | 12 | 31.4 | 46.41 | 12.7 |
| Dimensions (mm) | Dynamic Load (N) | Static Load (N) | Max Speed (rpm) | Weight (Kg) | |
|---|---|---|---|---|---|
| B | s | ||||
| 42.9 | 17.53 | 25700 | 15300 | 4500 | 1.7 |