| LFTC | 30 | EC | 1230-30ECG | 4 |
|---|---|---|---|---|
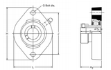
| Self Lube Cast Iron Flange Bearing Unit | 30mm Shaft Diameter | Eccentric Collar Lock - Short Inner Ring | Bearing Insert | Casting Group |
| Dimensions (mm) | |||||||||
|---|---|---|---|---|---|---|---|---|---|
| L | H | J | G | A | A1 | A2 | A3 | B | B1 |
| 84 | 112 | 90.5 | 10 | 20.5 | 33.62 | 38.07 | 41.5 | 38.1 | 31.2 |
| Dimensions (mm) | Dynamic Load (N) | Static Load (N) | Max Speed (rpm) | Weight (Kg) | ||||
|---|---|---|---|---|---|---|---|---|
| B2 | B3 | s | s1 | s2 | ||||
| 35.73 | 48.43 | 15.93 | 9.03 | 18.33 | 19500 | 11300 | 5300 | 0.8 |