| 12 | 50 | 50 | 2Z |
|---|---|---|---|
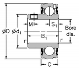
| Spherical Outside Diameter - Short Inner Ring | Basic Group | 50mm Shaft Diameter | Not Re-greaseable, 2 Metal Shields |
| Dimensions (mm) | ||||
|---|---|---|---|---|
| Shaft Diameter | D | C | B2 | s1 |
| 50 | 90 | 20 | 43.73 | 11.04 |
| Dimensions (mm) | Dynamic Load (N) | Static Load (N) | Max Speed (rpm) | Weight (Kg) | |
|---|---|---|---|---|---|
| d2 | r | ||||
| 69.9 | 1 | 35000 | 23200 | 3400 | 0.98 |