1160-2.7/16CG - RHP Self Lube Bearing Inserts (2.7/16 Inch Diameter)

  • Sale
  • Regular price £59.99


11 60 2.7/16 CG
Parallel Outside Diameter Basic Group 2.7/16 Inch Shaft Diameter Parrallel Outside Diameter Insert with Grease Groove and Snap Ring Fitted

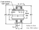
Dimensions (mm)
Shaft Diameter D C B s d1
2.7/16 110 22 65.1 25.44 76

Dimensions (mm) Dynamic Load (N) Static Load (N) Max Speed (rpm) Weight (Kg)
M r
10 1.5 48000 33000 2800 1.47