| 10 | 75 | 75 | G |
|---|---|---|---|
| Spherical Outside Diameter | Basic Group | 75 mm Shaft Diameter | Re-greaseable |
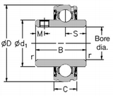
| Dimensions (mm) | |||||
|---|---|---|---|---|---|
| Shaft Diameter | D | C | B | s | d1 |
| 75 | 130 | 25 | 77.8 | 33.34 | 94 |
| Dimensions (mm) | Dynamic Load (N) | Static Load (N) | Max Speed (rpm) | Weight (Kg) | |
|---|---|---|---|---|---|
| M | r | ||||
| 12 | 1.5 | 66000 | 49500 | 2300 | 2.61 |