| 10 | 70 | 2.7/16 | G |
|---|---|---|---|
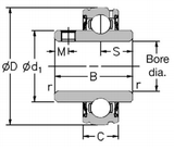
| Spherical Outside Diameter | Basic Group | 2.7/16 Inch Shaft Diameter | Re-greaseable |
| Dimensions (mm) | |||||
|---|---|---|---|---|---|
| Shaft Diameter | D | C | B | s | d1 |
| 2.7/16 | 125 | 24 | 74.6 | 30.24 | 89 |
| Dimensions (mm) | Dynamic Load (N) | Static Load (N) | Max Speed (rpm) | Weight (Kg) | |
|---|---|---|---|---|---|
| M | r | ||||
| 12 | 1.5 | 61000 | 45000 | 2450 | 2.27 |