| 10 | 65 | 65 | GHLT |
|---|---|---|---|
| Spherical Outside Diameter | Basic Group | 65 mm Shaft Diameter | Re-greaseable, High/Low Temperature Insert |
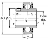
| Dimensions (mm) | |||||
|---|---|---|---|---|---|
| Shaft Diameter | D | C | B | s | d1 |
| 65 | 120 | 23 | 65.1 | 25.44 | 82.5 |
| Dimensions (mm) | Dynamic Load (N) | Static Load (N) | Max Speed (rpm) | Weight (Kg) | |
|---|---|---|---|---|---|
| M | r | ||||
| 10 | 1.5 | 57500 | 40000 | 2600 | 2.02 |