| 10 | 60 | 60 | G |
|---|---|---|---|
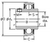
| Spherical Outside Diameter | Basic Group | 60 mm Shaft Diameter | Re-greaseable |
| Dimensions (mm) | |||||
|---|---|---|---|---|---|
| Shaft Diameter | D | C | B | s | d1 |
| 60 | 110 | 22 | 65.1 | 25.44 | 76 |
| Dimensions (mm) | Dynamic Load (N) | Static Load (N) | Max Speed (rpm) | Weight (Kg) | |
|---|---|---|---|---|---|
| M | r | ||||
| 10 | 1.5 | 48000 | 33000 | 2800 | 1.47 |