| 10 | 60 | 2.7/16 | DECG |
|---|---|---|---|
| Spherical Outside Diameter | Basic Group | 2.7/16 Inch Shaft Diameter | Re-greaseable, Eccentric collar lock with extended inner ring. |
| Dimensions (mm) | |||||
|---|---|---|---|---|---|
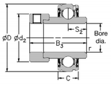
| Shaft Diameter | D | C | B3 | s2 | |
| 2.7/16 | 110 | 22 | 77.84 | 31.04 | |
| Dimensions (mm) | Dynamic Load (N) | Static Load (N) | Max Speed (rpm) | Weight (Kg) | |
|---|---|---|---|---|---|
| d2 | r | ||||
| 84.2 | 1.5 | 48000 | 33000 | 2800 | 1.72 |