1060-2.3/8GHLT - RHP Self Lube Bearing Inserts (2.3/8 Inch Diameter)

  • Sale
  • Regular price £61.61


10 60 2.3/8 GHLT
Spherical Outside Diameter Basic Group 2.3/8 Inch Shaft Diameter Re-greaseable, High/Low Temperature Insert

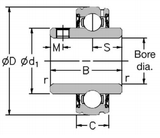
Dimensions (mm)
Shaft Diameter D C B s d1
2.3/8 110 22 65.1 25.44 76

Dimensions (mm) Dynamic Load (N) Static Load (N) Max Speed (rpm) Weight (Kg)
M r
10 1.5 48000 33000 2800 1.47