| YET | 206-102 | CW |
|---|---|---|
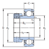
| Y-Bearing with Eccentric Locking Collar | Inch Shaft | Cylindrical Outside Diameter, Without Lubrication Hole |
| Dimensions (mm) | ||||||
|---|---|---|---|---|---|---|
| d | D | B1 | C | d1 | d2 | s1 |
| 28.575 | 62 | 35.7 | 18 | 39.7 | 44.1 | 26.7 |
| Dimensions (mm) | Dynamic Load (kN) | Static Load (kN) | Fatigue Load Limit (kN) | Limiting Speed (r/min) | Weight (Kg) |
|---|---|---|---|---|---|
| r1 | |||||
| 0.6 | 19.5 | 11.2 | 0.475 | 6300 | 0.33 |