| 12 | 45 | 1.3/4 | EC |
|---|---|---|---|
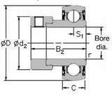
| Spherical Outside Diameter - Short Inner Ring | Basic Group | 1.3/4 Inch Shaft Diameter | Eccentric Collar Lock - Short Inner Ring |
| Dimensions (mm) | ||||
|---|---|---|---|---|
| Shaft Diameter | D | C | B2 | s1 |
| 1.3/4 | 85 | 19 | 43.73 | 11.03 |
| Dimensions (mm) | Dynamic Load (N) | Static Load (N) | Max Speed (rpm) | Weight (Kg) | |
|---|---|---|---|---|---|
| d2 | r | ||||
| 63.5 | 1 | 32500 | 20500 | 3700 | 0.87 |