| 12 | 25 | 25 | G |
|---|---|---|---|
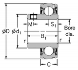
| Spherical Outside Diameter - Short Inner Ring | Basic Group | 25mm Shaft Diameter | Re-greaseable |
| Dimensions (mm) | ||||
|---|---|---|---|---|
| Shaft Diameter | D | C | B2 | s1 |
| 25 | 52 | 15 | 31.03 | 7.53 |
| Dimensions (mm) | Dynamic Load (N) | Static Load (N) | Max Speed (rpm) | Weight (Kg) | |
|---|---|---|---|---|---|
| d2 | r | ||||
| 38.1 | 1 | 14000 | 7880 | 6250 | 0.23 |