| 12 | 20 | 3/4 | SG |
|---|---|---|---|
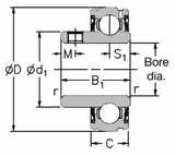
| Spherical Outside Diameter - Short Inner Ring | Basic Group | 3/4 Inch Shaft Diameter | Re-greaseable, RHP S lock |
| Dimensions (mm) | ||||
|---|---|---|---|---|
| Shaft Diameter | D | C | B2 | s1 |
| 3/4 | 47 | 14 | 31.03 | 7.53 |
| Dimensions (mm) | Dynamic Load (N) | Static Load (N) | Max Speed (rpm) | Weight (Kg) | |
|---|---|---|---|---|---|
| d2 | r | ||||
| 33.3 | 1 | 12800 | 6650 | 6700 | 0.16 |