| 11 | 45 | 45 | CG |
|---|---|---|---|
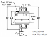
| Parallel Outside Diameter | Basic Group | 45 mm Shaft Diameter | Parrallel Outside Diameter Insert with Grease Groove and Snap Ring Fitted |
| Dimensions (mm) | |||||
|---|---|---|---|---|---|
| Shaft Diameter | D | C | B | s | d1 |
| 45 | 85 | 19 | 49.2 | 19.04 | 57.4 |
| Dimensions (mm) | Dynamic Load (N) | Static Load (N) | Max Speed (rpm) | Weight (Kg) | |
|---|---|---|---|---|---|
| M | r | ||||
| 8 | 1 | 32500 | 20500 | 3700 | 0.73 |