| 11 | 40 | 1.1/2 | CG2Z |
|---|---|---|---|
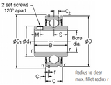
| Parallel Outside Diameter | Basic Group | 1.1/2 Inch Shaft Diameter | Parrallel Outside Diameter Insert with Grease Groove and Snap Ring Fitted, 2 Metal Shields |
| Dimensions (mm) | |||||
|---|---|---|---|---|---|
| Shaft Diameter | D | C | B | s | d1 |
| 1.1/2 | 80 | 18 | 49.2 | 19.03 | 52.4 |
| Dimensions (mm) | Dynamic Load (N) | Static Load (N) | Max Speed (rpm) | Weight (Kg) | |
|---|---|---|---|---|---|
| M | r | ||||
| 8 | 1 | 32500 | 19900 | 4000 | 0.64 |