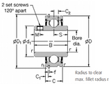
| 11 | 35 | 1.7/16 | CG |
|---|---|---|---|
| Parallel Outside Diameter | Basic Group | 1.7/16 Inch Shaft Diameter | Parrallel Outside Diameter Insert with Grease Groove and Snap Ring Fitted |
| Dimensions (mm) | |||||
|---|---|---|---|---|---|
| Shaft Diameter | D | C | B | s | d1 |
| 1.7/16 | 72 | 17 | 42.9 | 17.53 | 46.9 |
| Dimensions (mm) | Dynamic Load (N) | Static Load (N) | Max Speed (rpm) | Weight (Kg) | |
|---|---|---|---|---|---|
| M | r | ||||
| 6.5 | 1 | 25700 | 15300 | 4500 | 0.51 |