| 10 | 55 | 1.15/16 | DLG |
|---|---|---|---|
| Spherical Outside Diameter | Basic Group | 1.15/16 Inch Shaft Diameter | Re-greaseable, Double Locking Inner Ring - 4 Set Screws (2 Each End) |
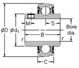
| Dimensions (mm) | |||||
|---|---|---|---|---|---|
| Shaft Diameter | D | C | B | s | d1 |
| 1.15/16 | 100 | 21 | 55.6 | 22.24 | 68.9 |
| Dimensions (mm) | Dynamic Load (N) | Static Load (N) | Max Speed (rpm) | Weight (Kg) | |
|---|---|---|---|---|---|
| M | r | ||||
| 10 | 1.5 | 43500 | 29200 | 3100 | 1.12 |