| 10 | 50 | 50 | GFS |
|---|---|---|---|
| Spherical Outside Diameter | Basic Group | 50 mm Shaft Diameter | Re-greaseable, 2 Flinger Seals |
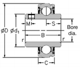
| Dimensions (mm) | |||||
|---|---|---|---|---|---|
| Shaft Diameter | D | C | B | s | d1 |
| 50 | 90 | 20 | 51.6 | 19.04 | 62.4 |
| Dimensions (mm) | Dynamic Load (N) | Static Load (N) | Max Speed (rpm) | Weight (Kg) | |
|---|---|---|---|---|---|
| M | r | ||||
| 10 | 1 | 35000 | 23200 | 3400 | 0.91 |