| 10 | 50 | 2 | DECG |
|---|---|---|---|
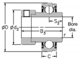
| Spherical Outside Diameter | Basic Group | 2 Inch Shaft Diameter | Re-greaseable, Eccentric collar lock with extended inner ring. |
| Dimensions (mm) | |||||
|---|---|---|---|---|---|
| Shaft Diameter | D | C | B3 | s2 | |
| 2 | 90 | 20 | 62.73 | 24.64 | |
| Dimensions (mm) | Dynamic Load (N) | Static Load (N) | Max Speed (rpm) | Weight (Kg) | |
|---|---|---|---|---|---|
| d2 | r | ||||
| 69.9 | 1 | 35000 | 23200 | 3400 | 1.19 |