| 10 | 45 | 45 | DECG |
|---|---|---|---|
| Spherical Outside Diameter | Basic Group | 45mm Shaft Diameter | Re-greaseable, Eccentric collar lock with extended inner ring. |
| Dimensions (mm) | |||||
|---|---|---|---|---|---|
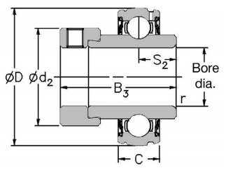
| Shaft Diameter | D | C | B3 | s2 | |
| 45 | 85 | 19 | 56.33 | 21.43 | |
| Dimensions (mm) | Dynamic Load (N) | Static Load (N) | Max Speed (rpm) | Weight (Kg) | |
|---|---|---|---|---|---|
| d2 | r | ||||
| 63.5 | 1 | 32500 | 20500 | 3700 | 1.08 |