| 10 | 35 | 30 | G2ZFS |
|---|---|---|---|
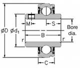
| Spherical Outside Diameter | Basic Group | 30 mm Shaft Diameter | Re-greaseable, 2 Metal Shields and Flinger Seals |
| Dimensions (mm) | |||||
|---|---|---|---|---|---|
| Shaft Diameter | D | C | B | s | d1 |
| 30 | 72 | 17 | 42.9 | 17.53 | 46.9 |
| Dimensions (mm) | Dynamic Load (N) | Static Load (N) | Max Speed (rpm) | Weight (Kg) | |
|---|---|---|---|---|---|
| M | r | ||||
| 6.5 | 1 | 25700 | 15300 | 4500 | 0.51 |