| 10 | 35 | 1.7/16 | DECG |
|---|---|---|---|
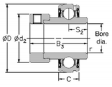
| Spherical Outside Diameter | Basic Group | 1.7/16 Inch Shaft Diameter | Re-greaseable, Eccentric collar lock with extended inner ring. |
| Dimensions (mm) | |||||
|---|---|---|---|---|---|
| Shaft Diameter | D | C | B3 | s2 | |
| 1.7/16 | 72 | 17 | 51.13 | 18.83 | |
| Dimensions (mm) | Dynamic Load (N) | Static Load (N) | Max Speed (rpm) | Weight (Kg) | |
|---|---|---|---|---|---|
| d2 | r | ||||
| 55.6 | 1 | 25700 | 15300 | 4500 | 0.7 |