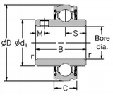
| 10 | 30 | 1.1/4 | GFS |
|---|---|---|---|
| Spherical Outside Diameter | Basic Group | 1.1/4 Inch Shaft Diameter | Re-greaseable, 2 Flinger Seals |
| Dimensions (mm) | |||||
|---|---|---|---|---|---|
| Shaft Diameter | D | C | B | s | d1 |
| 1.1/4 | 62 | 16 | 38.1 | 15.93 | 40.3 |
| Dimensions (mm) | Dynamic Load (N) | Static Load (N) | Max Speed (rpm) | Weight (Kg) | |
|---|---|---|---|---|---|
| M | r | ||||
| 5 | 1 | 19500 | 11300 | 5300 | 0.37 |