| 10 | 25 | 1 | G |
|---|---|---|---|
| Spherical Outside Diameter | Basic Group | 1 Inch Shaft Diameter | Re-greaseable |
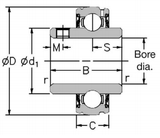
| Dimensions (mm) | |||||
|---|---|---|---|---|---|
| Shaft Diameter | D | C | B | s | d1 |
| 1 | 52 | 15 | 34.1 | 14.33 | 34 |
| Dimensions (mm) | Dynamic Load (N) | Static Load (N) | Max Speed (rpm) | Weight (Kg) | |
|---|---|---|---|---|---|
| M | r | ||||
| 5 | 1 | 14000 | 7880 | 6250 | 0.17 |