| 10 | 17 | 17 | G |
|---|---|---|---|
| Spherical Outside Diameter | Basic Group | 17 mm Shaft Diameter | Re-greaseable |
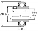
| Dimensions (mm) | |||||
|---|---|---|---|---|---|
| Shaft Diameter | D | C | B | s | d1 |
| 17 | 40 | 12 | 27.38 | 11.58 | 24.8 |
| Dimensions (mm) | Dynamic Load (N) | Static Load (N) | Max Speed (rpm) | Weight (Kg) | |
|---|---|---|---|---|---|
| M | r | ||||
| 5 | 0.6 | 9550 | 4800 | 7000 | 0.09 |