SF | 2 | EC | 1255-2ECG | 9 |
---|---|---|---|---|
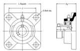
Self Lube Cast Iron Flange Bearing Unit | 2 Inch Shaft Diameter | Eccentric Collar Lock - Short Inner Ring | Bearing Insert | Casting Group |
Dimensions (mm) | |||||||||
---|---|---|---|---|---|---|---|---|---|
L | H | J | G | A | A1 | A2 | A3 | A4 | B |
161.9 | 122.5 | 130 | 16 | 43.7 | 64.31 | 0 | 74.57 | 17.5 | 55.6 |
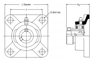
Dimensions (mm) | Dynamic Load (N) | Static Load (N) | Max Speed (rpm) | Weight (Kg) | |||||
---|---|---|---|---|---|---|---|---|---|
B1 | B2 | B3 | s | s1 | s2 | ||||
0 | 0 | 71.42 | 22.24 | 0 | 27.84 | 43500 | 29200 | 3100 | 4 |