| SL | 50 | HLT | 1050-50G | 8 |
|---|---|---|---|---|
| Self Lube Pillow Block Unit | 50mm Shaft Diameter | High/Low Temperature Insert | Bearing Insert | Casting Group |
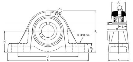
| Dimensions (mm) | |||||||||
|---|---|---|---|---|---|---|---|---|---|
| L | H | H1 | H2 | Jmax | Jmin | G | A | A1 | B |
| 214 | 55.55 | 19.3 | 114 | 177 | 151 | 12 | 55 | 36 | 51.6 |
| Dimensions (mm) | Dynamic Load (N) | Static Load (N) | Max Speed (rpm) | Weight (Kg) | |||||
|---|---|---|---|---|---|---|---|---|---|
| B1 | B2 | B3 | s | s1 | s2 | ||||
| 43.5 | 43.73 | 62.73 | 19.04 | 11.04 | 24.64 | 35000 | 23200 | 3400 | 3.4 |