SL | 45 | 1045-45G | 7 | |
---|---|---|---|---|
Self Lube Pillow Block Unit | 45mm Shaft Diameter | Set Screw Lock - Long Inner Ring | Bearing Insert | Casting Group |
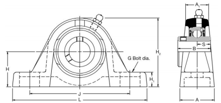
Dimensions (mm) | |||||||||
---|---|---|---|---|---|---|---|---|---|
L | H | H1 | H2 | Jmax | Jmin | G | A | A1 | B |
197.5 | 52.37 | 18.4 | 106.4 | 161.5 | 141.5 | 12 | 54 | 35 | 49.2 |
Dimensions (mm) | Dynamic Load (N) | Static Load (N) | Max Speed (rpm) | Weight (Kg) | |||||
---|---|---|---|---|---|---|---|---|---|
B1 | B2 | B3 | s | s1 | s2 | ||||
41.2 | 43.73 | 56.33 | 19.04 | 11.04 | 21.43 | 32500 | 20500 | 3700 | 3 |