| SL | 40 | HLT | 1040-40G | 6 |
|---|---|---|---|---|
| Self Lube Pillow Block Unit | 40mm Shaft Diameter | High/Low Temperature Insert | Bearing Insert | Casting Group |
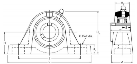
| Dimensions (mm) | |||||||||
|---|---|---|---|---|---|---|---|---|---|
| L | H | H1 | H2 | Jmax | Jmin | G | A | A1 | B |
| 180.5 | 49.2 | 18.5 | 98.5 | 148 | 127 | 12 | 51 | 34.5 | 49.2 |
| Dimensions (mm) | Dynamic Load (N) | Static Load (N) | Max Speed (rpm) | Weight (Kg) | |||||
|---|---|---|---|---|---|---|---|---|---|
| B1 | B2 | B3 | s | s1 | s2 | ||||
| 41.2 | 43.73 | 56.33 | 19.03 | 11.03 | 21.43 | 32500 | 19900 | 4000 | 2.1 |