SL | 35 | HLT | 1035-35G | 5 |
---|---|---|---|---|
Self Lube Pillow Block Unit | 35mm Shaft Diameter | High/Low Temperature Insert | Bearing Insert | Casting Group |
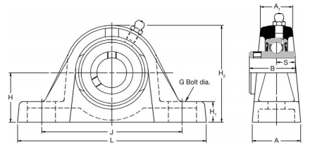
Dimensions (mm) | |||||||||
---|---|---|---|---|---|---|---|---|---|
L | H | H1 | H2 | Jmax | Jmin | G | A | A1 | B |
166 | 46.02 | 16 | 91.5 | 136.5 | 121.5 | 12 | 44.5 | 30.5 | 42.9 |
Dimensions (mm) | Dynamic Load (N) | Static Load (N) | Max Speed (rpm) | Weight (Kg) | |||||
---|---|---|---|---|---|---|---|---|---|
B1 | B2 | B3 | s | s1 | s2 | ||||
34.9 | 38.93 | 51.13 | 17.53 | 9.53 | 18.83 | 25700 | 15300 | 4500 | 1.7 |