| SL | 2 | FS | 1055-2G | 9 |
|---|---|---|---|---|
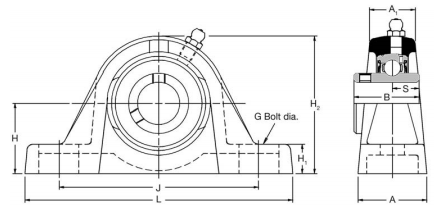
| Self Lube Pillow Block Unit | 2 Inch Shaft Diameter | 2 Flinger Seals | Bearing Insert | Casting Group |
| Dimensions (mm) | |||||||||
|---|---|---|---|---|---|---|---|---|---|
| L | H | H1 | H2 | Jmax | Jmin | G | A | A1 | B |
| 219.5 | 61.9 | 23.2 | 128 | 178.5 | 162.5 | 16 | 60 | 39.5 | 55.6 |
| Dimensions (mm) | Dynamic Load (N) | Static Load (N) | Max Speed (rpm) | Weight (Kg) | |||||
|---|---|---|---|---|---|---|---|---|---|
| B1 | B2 | B3 | s | s1 | s2 | ||||
| 0 | 0 | 71.42 | 22.24 | 0 | 27.84 | 43500 | 29200 | 3100 | 4 |