| SL | 1.3/8 | EC | 1235-1.3/8ECG | 5 |
|---|---|---|---|---|
| Self Lube Pillow Block Unit | 1.3/8 Inch Shaft Diameter | Eccentric Collar Lock - Short Inner Ring | Bearing Insert | Casting Group |
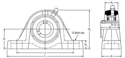
| Dimensions (mm) | |||||||||
|---|---|---|---|---|---|---|---|---|---|
| L | H | H1 | H2 | Jmax | Jmin | G | A | A1 | B |
| 166 | 46.02 | 16 | 91.5 | 136.5 | 121.5 | 12 | 44.5 | 30.5 | 42.9 |
| Dimensions (mm) | Dynamic Load (N) | Static Load (N) | Max Speed (rpm) | Weight (Kg) | |||||
|---|---|---|---|---|---|---|---|---|---|
| B1 | B2 | B3 | s | s1 | s2 | ||||
| 34.9 | 38.93 | 51.13 | 17.53 | 9.53 | 18.83 | 25700 | 15300 | 4500 | 1.7 |