| SL | 1.3/4 | EC | 1245-1.3/4ECG | 7 |
|---|---|---|---|---|
| Self Lube Pillow Block Unit | 1.3/4 Inch Shaft Diameter | Eccentric Collar Lock - Short Inner Ring | Bearing Insert | Casting Group |
| Dimensions (mm) | |||||||||
|---|---|---|---|---|---|---|---|---|---|
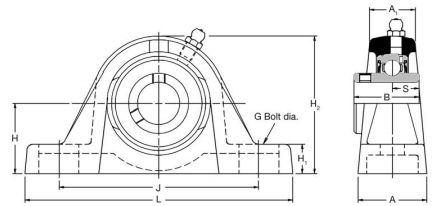
| L | H | H1 | H2 | Jmax | Jmin | G | A | A1 | B |
| 197.5 | 52.37 | 18.4 | 106.4 | 161.5 | 141.5 | 12 | 54 | 35 | 49.2 |
| Dimensions (mm) | Dynamic Load (N) | Static Load (N) | Max Speed (rpm) | Weight (Kg) | |||||
|---|---|---|---|---|---|---|---|---|---|
| B1 | B2 | B3 | s | s1 | s2 | ||||
| 41.2 | 43.73 | 56.33 | 19.04 | 11.04 | 21.43 | 32500 | 20500 | 3700 | 3 |