| NP | 1.7/16 | HLT | 1035-1.7/16GHLT | 5 |
|---|---|---|---|---|
| Self Lube Pillow Block Unit | 1.7/16 Inch Shaft Diameter | High and Low Temperature Bearing Insert | Bearing Insert | Casting Group 5 |
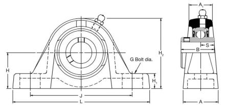
| Dimensions (mm) | |||||||||
|---|---|---|---|---|---|---|---|---|---|
| L | H | H1 | H2 | J max | J min | G | A | A1 | B |
| 166 | 47.6 | 17.5 | 93 | 136.5 | 121.5 | 12 | 44.5 | 30.5 | 42.9 |
| Dimensions (mm) | Dynamic Load (N) | Static Load (N) | Max Speed (rpm) | Weight (Kg) | |||||
|---|---|---|---|---|---|---|---|---|---|
| B1 | B2 | B3 | s | s1 | s2 | ||||
| 34.9 | 38.93 | 51.13 | 17.53 | 9.53 | 18.83 | 25700 | 15300 | 4500 | 1.7 |