| NP | 1.15/16 | DEC | 1050-1.15/16DECG | 8 |
|---|---|---|---|---|
| Self Lube Pillow Block Unit | 1.15/16 Inch Shaft Diameter | Eccentric collar lock with long inner ring | Bearing Insert | Casting Group 8 |
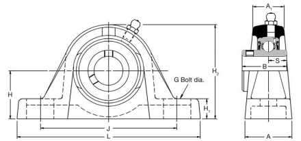
| Dimensions (mm) | |||||||||
|---|---|---|---|---|---|---|---|---|---|
| L | H | H1 | H2 | J max | J min | G | A | A1 | B |
| 206 | 57.2 | 21 | 115.2 | 163 | 154 | 16 | 55 | 36 | 51.6 |
| Dimensions (mm) | Dynamic Load (N) | Static Load (N) | Max Speed (rpm) | Weight (Kg) | |||||
|---|---|---|---|---|---|---|---|---|---|
| B1 | B2 | B3 | s | s1 | s2 | ||||
| 43.5 | 43.73 | 62.73 | 19.04 | 11.04 | 24.64 | 35000 | 23200 | 3400 | 3.2 |