| LFTC | 1/2 | EC | 1217-1/2ECG | 1 |
|---|---|---|---|---|
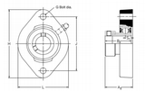
| Self Lube Cast Iron Flange Bearing Unit | 1/2 Inch Shaft Diameter | Eccentric Collar Lock - Short Inner Ring | Bearing Insert | Casting Group |
| Dimensions (mm) | |||||||||
|---|---|---|---|---|---|---|---|---|---|
| L | H | J | G | A | A1 | A2 | A3 | B | B1 |
| 58.5 | 81 | 63.5 | 6 | 15 | 24.27 | 30.43 | 0 | 27.38 | 0 |
| Dimensions (mm) | Dynamic Load (N) | Static Load (N) | Max Speed (rpm) | Weight (Kg) | ||||
|---|---|---|---|---|---|---|---|---|
| B2 | B3 | s | s1 | s2 | ||||
| 28.63 | 0 | 11.58 | 6.53 | 0 | 9550 | 4800 | 7000 | 0.3 |